Facebook Pixel CNC & EDM Machines Flooding System IHP

Pre Engineered Systems

CNC & EDM Machines Flooding System IHP

Kanex recommends Indirect High-Pressure (IHP) CO2 for EDM and CNC machine.

All major components of the system comply with international standard and are highly reliable to protect the equipment in case of early fire.

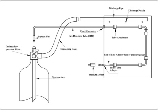
The UL listed thermo sensitive tube is the lifeline of the whole system and act as the responder for any fire/temperature rise in the enclosure.

The Detection Tubing is routed around the base of the ram just above the typical operating oil level, providing 360 degrees of fire detection and suppression. The tube runs through intricate spaces inside the machines.

The detection tubing can also be run to the front the machine when an optional manual release is required.

Large nozzles are installed well above the oil surface on both sides of the ram deliver a high volume of CO2 to extinguish the fire. The CO2 is delivered as a gentle mist to keep the burning oil from splashing, which would spread rather than suppress the fire.

Advantages

Fast, reliable and cost-effective system
Activates automatically in the event of a fire and suppresses a fire in seconds, reducing or eliminating equipment damage and downtime
Pre-engineered system is easy to install in any new or existing machine
No costly false discharges
Manual release option allows operator to activate system at first sign of trouble
Pressure switch option can be configured to sound alarms and e-stop machines, oil pumps, and mist collectors
Extinguishing agents will not contaminate expensive metalworking fluids or lubricants
Stops overhead sprinkler system from activating which can lead to extensive collateral damage
Reduced downtime, not damage to machine or work piece, no clean up, no loss of customer/account

System's Work

CNC EDM Machines Flooding System

The Indirect system utilizes Heat Sensing Tube as fire sensing ONLY. Suppression of fire is delivered via copper, SS or Braided pipe.

The nearest surface of Heat Sensing Tube bursts due to heating it actuates the valve & agent discharges through strategically placed nozzles within protected enclosure.

TECHNICAL SPECIFICATIONS

MODEL Specifications MODEL Specifications
Extinguishing Agent CO2-IHP Capacity 4.5, 6.5, 9, 22.5, 45 kg
Working Pressure 60-70 bar Cylinder Approvals CCOE
Gas Approvals IS: 15222 Other Applications Transformers, DG sets, Fume hoods e.t.c.,
CNC EDM Machines Flooding System
DOWNLOAD TECHNICAL SPECIFICATIONS

Brochure

Enquiry