Facebook Pixel Transformers DG set Flooding System ILP

Pre Engineered Systems

Transformers DG set Flooding System ILP

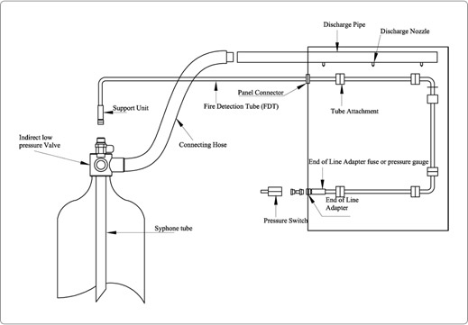
Kanex recommends Indirect Low Pressure Systems for dry transformer and generators.

All major components of the system comply with international standard and are highly reliable to protect the equipment in case of early fire.

The UL listed thermo sensitive tube is the lifeline of the whole system and act as the responder for any fire/temperature rise in the enclosure.

The red detection tubing is routed throughout the work zone which improves reaction time and reduces the potential for machine damage.

The detection tubing can also be run to the front the machine when an optional manual release is required.

Large nozzles deliver a high volume of clean agent gas to quickly suppress the fire.

Advantages

Fast, reliable and cost-effective system
Activates automatically in the event of a fire and suppresses a fire in seconds, reducing or eliminating equipment damage and downtime
Pre-engineered system is easy to install in any new or existing machine
No costly false discharges
Manual release option allows operator to activate system at first sign of trouble
Pressure switch option can be configured to sound alarms and e-stop machines, oil pumps, and mist collectors
Extinguishing agents will not contaminate expensive metalworking fluids or lubricants
Stops overhead sprinkler system from activating which can lead to extensive collateral damage
Reduced downtime, not damage to machine or work piece, no clean up, no loss of customer/account

System's Work

DG Set Flooding System

The Indirect system utilizes Heat Sensing Tube as fire sensing ONLY. Suppression of fire is delivered via copper, SS or Braided pipe.

The nearest surface of Heat Sensing Tube bursts due to heating it actuates the valve & agent discharges through strategically placed nozzles within protected enclosure.

TECHNICAL SPECIFICATIONS

MODEL Specifications MODEL Specifications
Extinguishing Agent FE 36/HFC236fa
FK-5-1-12
FM 200/HFC227ea
Capacity 2, 4, 6 kg
Working Pressure 13.5-15 bar Cylinder Approvals CE
Gas Approvals UL/FM/EPA SNAP
DG Set Flooding System
DOWNLOAD TECHNICAL SPECIFICATIONS

Brochure

Enquiry